
手牌GCT-E型手推,手鏈單軌小車特點:
1、防翻轉設計;
2、拆裝方便、使用靈活。
手牌GCT-E型手推,手鏈單軌小車介紹:
單軌行車是一種結構簡單、操作方便、輕小型調運配套起重機械,它可以與手拉葫蘆、環(huán)鏈電動葫蘆等起重產品配套組成起重運輸小車,自如地運行于可以有一定曲率半徑的工字鋼軌道的下翼緣上,用來調運貨物、設備等。

型 號 | GCT-1E | GCT-2E | GCT-3E | GCT-5E | GCT-10E | GCT-20E(組合式) | |
額定起重量(t) | 1 | 2 | 3 | 5 | 10 | 20 | |
試驗載荷(KN) | 14.71 | 29.42 | 44.13 | 61.29 | 122.58 | 245.17 | |
| 能通過最小彎道半徑(m) | 0.95 | 1.1 | 1.3 | 1.4 | 2.0 | 10 | |
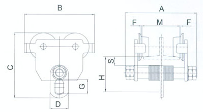
外形尺寸(mm) | A | 316 | 333 | 357 | 368 | 403 | 403 |
B | 260 | 300 | 345 | 395 | 470 | 976 | |
C | 239 | 286 | 356 | 393 | 500 | 545 | |
H | 135.5 | 161 | 185 | 220 | 285 | 310 | |
S | 32 | 32 | 35 | 37 | 45 | 52 | |
D | 52 | 65 | 75 | 92 | 120 | 150 | |
F | 1.5-3 | ||||||
軌道寬度范圍(mm) | M | 64-203 | 80-203 | 102-203 | 114-203 | 124-203 | 136-203 |
凈重(kg) | 14.8 | 24.5 | 39.5 | 56 | 107 | 230 | |
